


超硬リーマ
超硬リーマ Bシリーズ(型式:CB)
CB○.○○
- 加工穴の鏡面仕上が可能。
- 下穴修正用切れ刃により、下穴に倣わず加工可能。
本製品の加工事例
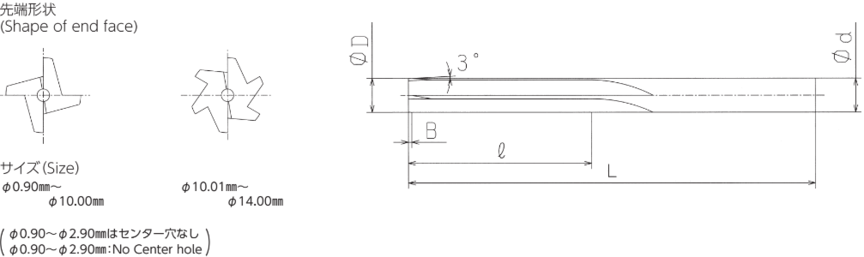
寸法表
| 型式・刃径DC | 食付き長PL | 刃長LC | 全長OAL | シャンク径DCON | 刃数ZEFP |
|---|---|---|---|---|---|
| CB 0.90~1.00 | 0.5 | 20 | 60 | =DC | 4 |
| CB 1.01~2.00 | 0.5 | 30 | 70 | =DC | 4 |
| CB 2.01~5.00 | 0.5 | 40 | 80 | =DC | 4 |
| CB 5.01~8.00 | 0.5 | 50 | 100 | =DC | 4 |
| CB 8.01~10.00 | 0.5 | 60 | 115 | =DC | 4 |
| CB 10.01~11.00 | 0.5 | 65 | 115 | =DC | 6 |
| CB 11.01~12.00 | 0.5 | 65 | 130 | =DC | 6 |
| CB 12.01~13.00 | 0.5 | 70 | 130 | =DC | 6 |
| CB 13.01~14.00 | 0.5 | 70 | 150 | =DC | 6 |
参考切削条件
| 刃径DC(mm) | 切削速度Vc(m/min) | 送り量f(mm/rev) | リーマ代(φmm) |
|---|---|---|---|
| 1 | 5~20 | 0.015~0.025 | 0.05 |
| 2 | 5~20 | 0.03~0.06 | 0.08 |
| 3 | 5~20 | 0.05~0.1 | 0.1 |
| 4 | 5~20 | 0.06~0.12 | 0.1 |
| 5 | 5~20 | 0.08~0.16 | 0.1 |
| 6 | 5~20 | 0.1~0.2 | 0.1 |
| 7 | 5~20 | 0.12~0.24 | 0.1 |
| 8 | 5~20 | 0.12~0.26 | 0.1 |
| 9 | 5~20 | 0.15~0.3 | 0.1 |
| 10 | 5~20 | 0.15~0.3 | 0.2 |
| 12 | 5~20 | 0.18~0.36 | 0.2 |
| 14 | 5~20 | 0.18~0.36 | 0.2 |
| 刃径DC(mm) | 切削速度Vc(m/min) | 送り量f(mm/rev) | リーマ代(φmm) |
|---|---|---|---|
| 1 | 5~15 | ~0.01 | 0.05 |
| 2 | 5~15 | ~0.017 | 0.08 |
| 3 | 5~15 | ~0.025 | 0.1 |
| 4 | 5~15 | ~0.03 | 0.1 |
| 5 | 5~15 | ~0.04 | 0.1 |
| 6 | 5~15 | ~0.05 | 0.1 |
| 7 | 5~15 | ~0.06 | 0.1 |
| 8 | 5~15 | ~0.06 | 0.1 |
| 9 | 5~15 | ~0.07 | 0.1 |
| 10 | 5~15 | ~0.07 | 0.2 |
| 12 | 5~15 | ~0.09 | 0.2 |
| 14 | 5~15 | ~0.09 | 0.2 |
