

超硬リーマ
超硬リーマ Eシリーズ オイルホール付(型式:CE-H)
CE○.○○○H
- センタースルータイプのオイルホールを採用。切りくずの排出性が向上し、完全止まり穴加工において、より安定した加工が可能。
- 新高剛性刃型形状により、耐久性UP!
- ショートタイプにすることで、工具剛性が向上。
本製品の加工事例
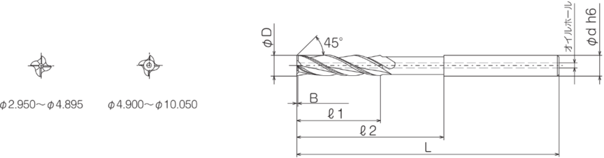
寸法表
| 型式・刃径DC | 食付き長PL | 刃長LC | 首下長LU | 全長OAL | シャンク径DCON | 刃数ZEFP |
|---|---|---|---|---|---|---|
| CE 2.950~3.095 H | 0.15 | 12 | 25 | 65 | 3.0 | 4 |
| CE 3.100~4.095 H | 0.2 | 16 | 29 | 65 | 4.0 | 4 |
| CE 4.100~5.095 H | 0.2 | 20 | 35 | 75 | 5.0 | 4 |
| CE 5.100~6.095 H | 0.2 | 24 | 42 | 75 | 6.0 | 4 |
| CE 6.100~8.095 H | 0.3 | 24 | 48 | 85 | 8.0 | 4 |
| CE 8.100~10.050 H | 0.3 | 30 | 60 | 110 | 10.0 | 4 |
参考切削条件
| 刃径DC(mm) | 切削速度Vc(m/min) | 送り量f(mm/rev) | リーマ代(φmm) |
|---|---|---|---|
| 3 | 10~30 | ~0.025 | 0.1 |
| 4 | 10~30 | ~0.03 | 0.1 |
| 5 | 10~30 | ~0.04 | 0.1 |
| 6 | 10~30 | ~0.05 | 0.1 |
| 7 | 10~30 | ~0.06 | 0.1 |
| 8 | 10~30 | ~0.06 | 0.1 |
| 9 | 10~30 | ~0.07 | 0.1 |
| 10 | 10~30 | ~0.07 | 0.2 |
| 刃径DC(mm) | 切削速度Vc(m/min) | 送り量f(mm/rev) | リーマ代(φmm) |
|---|---|---|---|
| 3 | 10~30 | 0.05~0.1 | 0.1 |
| 4 | 10~30 | 0.06~0.12 | 0.1 |
| 5 | 10~30 | 0.08~0.16 | 0.1 |
| 6 | 10~30 | 0.1~0.2 | 0.2 |
| 7 | 10~30 | 0.12~0.24 | 0.2 |
| 8 | 10~30 | 0.12~0.26 | 0.2 |
| 9 | 10~30 | 0.15~0.3 | 0.2 |
| 10 | 10~30 | 0.15~0.3 | 0.3 |
| 刃径DC(mm) | 切削速度Vc(m/min) | 送り量f(mm/rev) | リーマ代(φmm) |
|---|---|---|---|
| 3 | 10~30 | ~0.025 | 0.1 |
| 4 | 10~30 | ~0.03 | 0.1 |
| 5 | 10~30 | ~0.04 | 0.1 |
| 6 | 10~30 | ~0.05 | 0.1 |
| 7 | 10~30 | ~0.06 | 0.1 |
| 8 | 10~30 | ~0.06 | 0.1 |
| 9 | 10~30 | ~0.07 | 0.1 |
| 10 | 10~30 | ~0.07 | 0.2 |
| 刃径DC(mm) | 切削速度Vc(m/min) | 送り量f(mm/rev) | リーマ代(φmm) |
|---|---|---|---|
| 3 | 5~30 | 0.05~0.1 | 0.1 |
| 4 | 5~30 | 0.06~0.12 | 0.1 |
| 5 | 5~30 | 0.08~0.16 | 0.1 |
| 6 | 5~30 | 0.1~0.2 | 0.2 |
| 7 | 5~30 | 0.12~0.24 | 0.2 |
| 8 | 5~30 | 0.12~0.26 | 0.2 |
| 9 | 5~30 | 0.15~0.3 | 0.2 |
| 10 | 5~30 | 0.15~0.3 | 0.3 |
| 刃径DC(mm) | 切削速度Vc(m/min) | 送り量f(mm/rev) | リーマ代(φmm) |
|---|---|---|---|
| 3 | 5~20 | 0.075~0.12 | 0.1 |
| 4 | 5~20 | 0.1~0.15 | 0.1 |
| 5 | 5~20 | 0.12~0.17 | 0.1 |
| 6 | 5~20 | 0.15~0.2 | 0.2 |
| 7 | 5~20 | 0.18~0.24 | 0.2 |
| 8 | 5~20 | 0.18~0.26 | 0.2 |
| 9 | 5~20 | 0.2~0.3 | 0.2 |
| 10 | 5~20 | 0.2~0.3 | 0.3 |
| 刃径DC(mm) | 切削速度Vc(m/min) | 送り量f(mm/rev) | リーマ代(φmm) |
|---|---|---|---|
| 3 | 10~30 | 0.05~0.075 | 0.1 |
| 4 | 10~30 | 0.06~0.1 | 0.1 |
| 5 | 10~30 | 0.08~0.12 | 0.1 |
| 6 | 10~30 | 0.1~0.15 | 0.2 |
| 7 | 10~30 | 0.12~0.18 | 0.2 |
| 8 | 10~30 | 0.12~0.18 | 0.2 |
| 9 | 10~30 | 0.15~0.2 | 0.2 |
| 10 | 10~30 | 0.15~0.2 | 0.3 |
| 刃径DC(mm) | 切削速度Vc(m/min) | 送り量f(mm/rev) | リーマ代(φmm) |
|---|---|---|---|
| 3 | 20~40 | 0.075~0.12 | 0.1 |
| 4 | 20~40 | 0.1~0.15 | 0.1 |
| 5 | 20~40 | 0.12~0.17 | 0.1 |
| 6 | 20~40 | 0.15~0.2 | 0.2 |
| 7 | 20~40 | 0.18~0.24 | 0.2 |
| 8 | 20~40 | 0.18~0.26 | 0.2 |
| 9 | 20~40 | 0.2~0.3 | 0.2 |
| 10 | 20~40 | 0.2~0.3 | 0.3 |
| 刃径DC(mm) | 切削速度Vc(m/min) | 送り量f(mm/rev) | リーマ代(φmm) |
|---|---|---|---|
| 3 | 15~30 | 0.075~0.12 | 0.1 |
| 4 | 15~30 | 0.1~0.15 | 0.1 |
| 5 | 15~30 | 0.12~0.17 | 0.1 |
| 6 | 15~30 | 0.15~0.2 | 0.2 |
| 7 | 15~30 | 0.18~0.24 | 0.2 |
| 8 | 15~30 | 0.18~0.26 | 0.2 |
| 9 | 15~30 | 0.2~0.3 | 0.2 |
| 10 | 15~30 | 0.2~0.3 | 0.3 |
| 刃径DC(mm) | 切削速度Vc(m/min) | 送り量f(mm/rev) | リーマ代(φmm) |
|---|---|---|---|
| 3 | 10~20 | 0.05~0.1 | 0.1 |
| 4 | 10~20 | 0.06~0.12 | 0.1 |
| 5 | 10~20 | 0.08~0.16 | 0.1 |
| 6 | 10~20 | 0.1~0.2 | 0.2 |
| 7 | 10~20 | 0.12~0.24 | 0.2 |
| 8 | 10~20 | 0.12~0.26 | 0.2 |
| 9 | 10~20 | 0.15~0.3 | 0.2 |
| 10 | 10~20 | 0.15~0.3 | 0.3 |
| 刃径DC(mm) | 切削速度Vc(m/min) | 送り量f(mm/rev) | リーマ代(φmm) |
|---|---|---|---|
| 3 | 5~15 | 0.025~0.075 | 0.1 |
| 4 | 5~15 | 0.03~0.1 | 0.1 |
| 5 | 5~15 | 0.04~0.12 | 0.1 |
| 6 | 5~15 | 0.05~0.15 | 0.1 |
| 7 | 5~15 | 0.06~0.18 | 0.1 |
| 8 | 5~15 | 0.06~0.18 | 0.1 |
| 9 | 5~15 | 0.07~0.2 | 0.1 |
| 10 | 5~15 | 0.07~0.2 | 0.2 |
