


超硬リーマ
超硬リーマ Eシリーズ(型式:CE)
CE○.○○○
- 右ネジレ刃に底刃をプラス。シャンク側に切りくずを排出するため、完全止まり穴加工が可能。
- F.P.Cコーティングを採用する事で、幅広い被削材に対応し難削材の加工にも有効。
本製品の加工事例
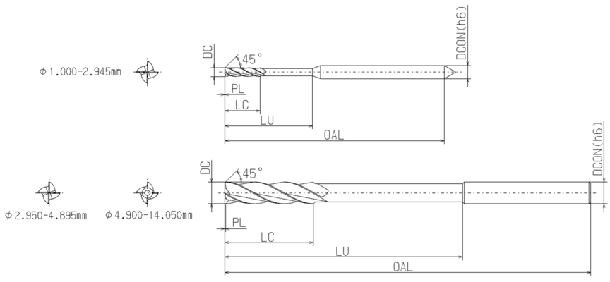
寸法表
| 型式・刃径DC | 食付き長PL | 刃長LC | 首下長LU | 全長OAL | シャンク径DCON | 刃数ZEFP |
|---|---|---|---|---|---|---|
| CE 1.000~1.095 | 0.1 | 5 | 15 | 50 | 3.0 | 4 |
| CE 1.100~1.595 | 0.1 | 6 | 16 | 50 | 3.0 | 4 |
| CE 1.600~1.995 | 0.1 | 8 | 18 | 50 | 3.0 | 4 |
| CE 2.000~2.945 | 0.15 | 10 | 20 | 50 | 3.0 | 4 |
| CE 2.950~3.095 | 0.15 | 20 | 40 | 65 | 3.0 | 4 |
| CE 3.100~4.095 | 0.2 | 20 | 40 | 65 | 4.0 | 4 |
| CE 4.100~5.095 | 0.2 | 25 | 45 | 75 | 5.0 | 4 |
| CE 5.100~6.095 | 0.2 | 25 | 65 | 100 | 6.0 | 4 |
| CE 6.100~7.095 | 0.3 | 25 | 70 | 110 | 8.0 | 4 |
| CE 7.100~8.095 | 0.3 | 25 | 85 | 125 | 8.0 | 4 |
| CE 8.100~9.095 | 0.3 | 25 | 90 | 135 | 10.0 | 4 |
| CE 9.100~10.095 | 0.3 | 30 | 100 | 150 | 10.0 | 4 |
| CE 10.100~12.095 | 0.3 | 30 | 105 | 160 | 12.0 | 4 |
| CE 12.100~13.095 | 0.3 | 30 | 115 | 170 | 12.0 | 4 |
| CE 13.100~14.050 | 0.3 | 30 | 115 | 170 | 16.0 | 4 |
参考切削条件
| 刃径DC(mm) | 切削速度Vc(m/min) | 送り量f(mm/rev) | リーマ代(φmm) |
|---|---|---|---|
| 1 | 10~30 | ~0.01 | 0.05 |
| 2 | 10~30 | ~0.017 | 0.08 |
| 3 | 10~30 | ~0.025 | 0.1 |
| 4 | 10~30 | ~0.03 | 0.1 |
| 5 | 10~30 | ~0.04 | 0.1 |
| 6 | 10~30 | ~0.05 | 0.1 |
| 7 | 10~30 | ~0.06 | 0.1 |
| 8 | 10~30 | ~0.06 | 0.1 |
| 9 | 10~30 | ~0.07 | 0.1 |
| 10 | 10~30 | ~0.07 | 0.2 |
| 12 | 10~30 | ~0.09 | 0.2 |
| 14 | 10~30 | ~0.09 | 0.2 |
| 刃径DC(mm) | 切削速度Vc(m/min) | 送り量f(mm/rev) | リーマ代(φmm) |
|---|---|---|---|
| 1 | 10~30 | 0.015~0.025 | 0.1 |
| 2 | 10~30 | 0.03~0.06 | 0.1 |
| 3 | 10~30 | 0.05~0.1 | 0.1 |
| 4 | 10~30 | 0.06~0.12 | 0.1 |
| 5 | 10~30 | 0.08~0.16 | 0.1 |
| 6 | 10~30 | 0.1~0.2 | 0.2 |
| 7 | 10~30 | 0.12~0.24 | 0.2 |
| 8 | 10~30 | 0.12~0.26 | 0.2 |
| 9 | 10~30 | 0.15~0.3 | 0.2 |
| 10 | 10~30 | 0.15~0.3 | 0.3 |
| 12 | 10~30 | 0.18~0.36 | 0.3 |
| 14 | 10~30 | 0.18~0.36 | 0.3 |
| 刃径DC(mm) | 切削速度Vc(m/min) | 送り量f(mm/rev) | リーマ代(φmm) |
|---|---|---|---|
| 1 | 10~30 | ~0.01 | 0.05 |
| 2 | 10~30 | ~0.017 | 0.08 |
| 3 | 10~30 | ~0.025 | 0.1 |
| 4 | 10~30 | ~0.03 | 0.1 |
| 5 | 10~30 | ~0.04 | 0.1 |
| 6 | 10~30 | ~0.05 | 0.1 |
| 7 | 10~30 | ~0.06 | 0.1 |
| 8 | 10~30 | ~0.06 | 0.1 |
| 9 | 10~30 | ~0.07 | 0.1 |
| 10 | 10~30 | ~0.07 | 0.2 |
| 12 | 10~30 | ~0.09 | 0.2 |
| 14 | 10~30 | ~0.09 | 0.2 |
| 刃径DC(mm) | 切削速度Vc(m/min) | 送り量f(mm/rev) | リーマ代(φmm) |
|---|---|---|---|
| 1 | 5~30 | 0.015~0.025 | 0.1 |
| 2 | 5~30 | 0.03~0.06 | 0.1 |
| 3 | 5~30 | 0.05~0.1 | 0.1 |
| 4 | 5~30 | 0.06~0.12 | 0.1 |
| 5 | 5~30 | 0.08~0.16 | 0.1 |
| 6 | 5~30 | 0.1~0.2 | 0.2 |
| 7 | 5~30 | 0.12~0.24 | 0.2 |
| 8 | 5~30 | 0.12~0.26 | 0.2 |
| 9 | 5~30 | 0.15~0.3 | 0.2 |
| 10 | 5~30 | 0.15~0.3 | 0.3 |
| 12 | 5~30 | 0.18~0.36 | 0.3 |
| 14 | 5~30 | 0.18~0.36 | 0.3 |
| 刃径DC(mm) | 切削速度Vc(m/min) | 送り量f(mm/rev) | リーマ代(φmm) |
|---|---|---|---|
| 1 | 5~20 | 0.025~0.05 | 0.1 |
| 2 | 5~20 | 0.05~0.08 | 0.1 |
| 3 | 5~20 | 0.075~0.12 | 0.1 |
| 4 | 5~20 | 0.1~0.15 | 0.1 |
| 5 | 5~20 | 0.12~0.17 | 0.1 |
| 6 | 5~20 | 0.15~0.2 | 0.2 |
| 7 | 5~20 | 0.18~0.24 | 0.2 |
| 8 | 5~20 | 0.18~0.26 | 0.2 |
| 9 | 5~20 | 0.2~0.3 | 0.2 |
| 10 | 5~20 | 0.2~0.3 | 0.3 |
| 12 | 5~20 | 0.27~0.36 | 0.3 |
| 14 | 5~20 | 0.27~0.36 | 0.3 |
| 刃径DC(mm) | 切削速度Vc(m/min) | 送り量f(mm/rev) | リーマ代(φmm) |
|---|---|---|---|
| 1 | 10~30 | 0.015~0.025 | 0.1 |
| 2 | 10~30 | 0.03~0.05 | 0.1 |
| 3 | 10~30 | 0.05~0.075 | 0.1 |
| 4 | 10~30 | 0.06~0.1 | 0.1 |
| 5 | 10~30 | 0.08~0.12 | 0.1 |
| 6 | 10~30 | 0.1~0.15 | 0.2 |
| 7 | 10~30 | 0.12~0.18 | 0.2 |
| 8 | 10~30 | 0.12~0.18 | 0.2 |
| 9 | 10~30 | 0.15~0.2 | 0.2 |
| 10 | 10~30 | 0.15~0.2 | 0.3 |
| 12 | 10~30 | 0.18~0.27 | 0.3 |
| 14 | 10~30 | 0.18~0.27 | 0.3 |
| 刃径DC(mm) | 切削速度Vc(m/min) | 送り量f(mm/rev) | リーマ代(φmm) |
|---|---|---|---|
| 1 | 20~40 | 0.025~0.05 | 0.1 |
| 2 | 20~40 | 0.05~0.08 | 0.1 |
| 3 | 20~40 | 0.075~0.12 | 0.1 |
| 4 | 20~40 | 0.1~0.15 | 0.1 |
| 5 | 20~40 | 0.12~0.17 | 0.1 |
| 6 | 20~40 | 0.15~0.2 | 0.2 |
| 7 | 20~40 | 0.18~0.24 | 0.2 |
| 8 | 20~40 | 0.18~0.26 | 0.2 |
| 9 | 20~40 | 0.2~0.3 | 0.2 |
| 10 | 20~40 | 0.2~0.3 | 0.3 |
| 12 | 20~40 | 0.27~0.36 | 0.3 |
| 14 | 20~40 | 0.27~0.36 | 0.3 |
| 刃径DC(mm) | 切削速度Vc(m/min) | 送り量f(mm/rev) | リーマ代(φmm) |
|---|---|---|---|
| 1 | 15~30 | 0.025~0.05 | 0.1 |
| 2 | 15~30 | 0.05~0.08 | 0.1 |
| 3 | 15~30 | 0.075~0.12 | 0.1 |
| 4 | 15~30 | 0.1~0.15 | 0.1 |
| 5 | 15~30 | 0.12~0.17 | 0.1 |
| 6 | 15~30 | 0.15~0.2 | 0.2 |
| 7 | 15~30 | 0.18~0.24 | 0.2 |
| 8 | 15~30 | 0.18~0.26 | 0.2 |
| 9 | 15~30 | 0.2~0.3 | 0.2 |
| 10 | 15~30 | 0.2~0.3 | 0.3 |
| 12 | 15~30 | 0.27~0.36 | 0.3 |
| 14 | 15~30 | 0.27~0.36 | 0.3 |
| 刃径DC(mm) | 切削速度Vc(m/min) | 送り量f(mm/rev) | リーマ代(φmm) |
|---|---|---|---|
| 1 | 10~20 | 0.015~0.025 | 0.1 |
| 2 | 10~20 | 0.03~0.06 | 0.1 |
| 3 | 10~20 | 0.05~0.1 | 0.1 |
| 4 | 10~20 | 0.06~0.12 | 0.1 |
| 5 | 10~20 | 0.08~0.16 | 0.1 |
| 6 | 10~20 | 0.1~0.2 | 0.2 |
| 7 | 10~20 | 0.12~0.24 | 0.2 |
| 8 | 10~20 | 0.12~0.26 | 0.2 |
| 9 | 10~20 | 0.15~0.3 | 0.2 |
| 10 | 10~20 | 0.15~0.3 | 0.3 |
| 12 | 10~20 | 0.18~0.36 | 0.3 |
| 14 | 10~20 | 0.18~0.36 | 0.3 |
| 刃径DC(mm) | 切削速度Vc(m/min) | 送り量f(mm/rev) | リーマ代(φmm) |
|---|---|---|---|
| 1 | 5~15 | 0.01~0.025 | 0.05 |
| 2 | 5~15 | 0.017~0.05 | 0.08 |
| 3 | 5~15 | 0.025~0.075 | 0.1 |
| 4 | 5~15 | 0.03~0.1 | 0.1 |
| 5 | 5~15 | 0.04~0.12 | 0.1 |
| 6 | 5~15 | 0.05~0.15 | 0.1 |
| 7 | 5~15 | 0.06~0.18 | 0.1 |
| 8 | 5~15 | 0.06~0.18 | 0.1 |
| 9 | 5~15 | 0.07~0.2 | 0.1 |
| 10 | 5~15 | 0.07~0.2 | 0.2 |
| 12 | 5~15 | 0.09~0.27 | 0.2 |
| 14 | 5~15 | 0.09~0.27 | 0.2 |
