


超硬リーマ
超硬リーマ Hシリーズ(型式:CH)
CH○.○○
- 超硬ストレート刃と比較して切削速度が 1.5 倍で加工可能。
- 左ネジレ刃の為、切りくずが前方へスムーズに排出。
- 拡大代が少なく、バニッシュ効果が高まり表面粗さを向上することが可能。
- 首下が長い為、深穴加工に最適。
本製品の加工事例
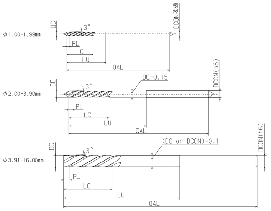
寸法表
| 型式・刃径DC | 食付き長PL | 刃長LC | 首下長LU | 全長OAL | シャンク径DCON | 刃数ZEFP |
|---|---|---|---|---|---|---|
| CH 1.00 | 2.0 | 8 | 15 | 46 | 1.0 | 3 |
| CH 1.01~1.50 | 2.0 | 10 | 15 | 46 | 1.5 | 4 |
| CH 1.51~1.99 | 2.0 | 10 | 15 | 46 | 2.0 | 4 |
| CH 2.00~2.10 | 2.0 | 10 | 30 | 55 | 2.0 | 4 |
| CH 2.11~2.60 | 3.0 | 15 | 35 | 60 | 2.5 | 4 |
| CH 2.61~3.10 | 3.0 | 15 | 35 | 60 | 3.0 | 4 |
| CH 3.11~3.60 | 3.0 | 20 | 35 | 60 | 3.5 | 4 |
| CH 3.61~3.90 ↑凸センタ |
3.0 | 20 | 35 | 60 | 4.0 | 4 |
| CH 3.91~4.10 ↓穴センタ |
3.0 | 20 | 35 | 60 | 4.0 | 4 |
| CH 4.11~4.60 | 3.0 | 20 | 45 | 75 | 4.5 | 4 |
| CH 4.61~5.10 | 3.0 | 20 | 45 | 75 | 5.0 | 4 |
| CH 5.11~5.60 | 5.0 | 25 | 65 | 100 | 5.5 | 4 |
| CH 5.61~6.10 | 5.0 | 25 | 65 | 100 | 6.0 | 4 |
| CH 6.11~6.60 | 5.0 | 25 | 70 | 110 | 6.5 | 4 |
| CH 6.61~7.10 | 5.0 | 25 | 70 | 110 | 7.0 | 4 |
| CH 7.11~7.60 | 5.0 | 30 | 85 | 125 | 7.5 | 4 |
| CH 7.61~8.10 | 5.0 | 30 | 85 | 125 | 8.0 | 4 |
| CH 8.11~8.60 | 5.0 | 30 | 90 | 135 | 8.5 | 4 |
| CH 8.61~9.10 | 5.0 | 30 | 90 | 135 | 9.0 | 4 |
| CH 9.11~9.60 | 5.0 | 35 | 100 | 150 | 9.5 | 4 |
| CH 9.61~10.10 | 5.0 | 35 | 100 | 150 | 10.0 | 4 |
| CH 10.11~10.60 | 5.0 | 35 | 105 | 155 | 10.5 | 4 |
| CH 10.61~11.10 | 5.0 | 35 | 105 | 155 | 11.0 | 4 |
| CH 11.11~11.60 | 5.0 | 35 | 105 | 160 | 11.5 | 4 |
| CH 11.61~12.10 | 5.0 | 35 | 105 | 160 | 12.0 | 4 |
| CH 12.11~12.60 | 5.0 | 40 | 110 | 165 | 12.5 | 4 |
| CH 12.61~13.10 | 5.0 | 40 | 110 | 165 | 13.0 | 4 |
| CH 13.11~13.60 | 5.0 | 40 | 115 | 170 | 13.5 | 4 |
| CH 13.61~14.10 | 5.0 | 40 | 115 | 170 | 14.0 | 6 |
| CH 14.11~14.60 | 5.0 | 45 | 120 | 175 | 14.5 | 6 |
| CH 14.61~15.10 | 5.0 | 45 | 120 | 175 | 15.0 | 6 |
| CH 15.11~15.60 | 5.0 | 45 | 125 | 180 | 15.5 | 6 |
| CH 15.61~16.00 | 5.0 | 45 | 125 | 180 | 16.0 | 6 |
参考切削条件
| 刃径DC(mm) | 切削速度Vc(m/min) | 送り量f(mm/rev) | リーマ代(φmm) |
|---|---|---|---|
| 1 | 20~35 | ~0.01 | 0.05 |
| 2 | 20~35 | ~0.017 | 0.08 |
| 3 | 20~35 | ~0.025 | 0.1 |
| 4 | 20~35 | ~0.03 | 0.1 |
| 5 | 20~35 | ~0.04 | 0.1 |
| 6 | 20~35 | ~0.05 | 0.1 |
| 7 | 20~35 | ~0.06 | 0.1 |
| 8 | 20~35 | ~0.06 | 0.1 |
| 9 | 20~35 | ~0.07 | 0.1 |
| 10 | 20~35 | ~0.07 | 0.2 |
| 12 | 20~35 | ~0.09 | 0.2 |
| 14 | 20~35 | ~0.09 | 0.2 |
| 16 | 20~35 | ~0.1 | 0.3 |
| 刃径DC(mm) | 切削速度Vc(m/min) | 送り量f(mm/rev) | リーマ代(φmm) |
|---|---|---|---|
| 1 | 20~30 | 0.015~0.025 | 0.1 |
| 2 | 20~30 | 0.03~0.06 | 0.1 |
| 3 | 20~30 | 0.05~0.1 | 0.1 |
| 4 | 20~30 | 0.06~0.12 | 0.1 |
| 5 | 20~30 | 0.08~0.16 | 0.1 |
| 6 | 20~30 | 0.1~0.2 | 0.2 |
| 7 | 20~30 | 0.12~0.24 | 0.2 |
| 8 | 20~30 | 0.12~0.26 | 0.2 |
| 9 | 20~30 | 0.15~0.3 | 0.2 |
| 10 | 20~30 | 0.15~0.3 | 0.3 |
| 12 | 20~30 | 0.18~0.36 | 0.3 |
| 14 | 20~30 | 0.18~0.36 | 0.3 |
| 16 | 20~30 | 0.2~0.4 | 0.4 |
| 刃径DC(mm) | 切削速度Vc(m/min) | 送り量f(mm/rev) | リーマ代(φmm) |
|---|---|---|---|
| 1 | 15~30 | ~0.01 | 0.05 |
| 2 | 15~30 | ~0.017 | 0.08 |
| 3 | 15~30 | ~0.025 | 0.1 |
| 4 | 15~30 | ~0.03 | 0.1 |
| 5 | 15~30 | ~0.04 | 0.1 |
| 6 | 15~30 | ~0.05 | 0.1 |
| 7 | 15~30 | ~0.06 | 0.1 |
| 8 | 15~30 | ~0.06 | 0.1 |
| 9 | 15~30 | ~0.07 | 0.1 |
| 10 | 15~30 | ~0.07 | 0.2 |
| 12 | 15~30 | ~0.09 | 0.2 |
| 14 | 15~30 | ~0.09 | 0.2 |
| 16 | 15~30 | ~0.1 | 0.3 |
| 刃径DC(mm) | 切削速度Vc(m/min) | 送り量f(mm/rev) | リーマ代(φmm) |
|---|---|---|---|
| 1 | 10~25 | 0.015~0.025 | 0.1 |
| 2 | 10~25 | 0.03~0.06 | 0.1 |
| 3 | 10~25 | 0.05~0.1 | 0.1 |
| 4 | 10~25 | 0.06~0.12 | 0.1 |
| 5 | 10~25 | 0.08~0.16 | 0.1 |
| 6 | 10~25 | 0.1~0.2 | 0.2 |
| 7 | 10~25 | 0.12~0.24 | 0.2 |
| 8 | 10~25 | 0.12~0.26 | 0.2 |
| 9 | 10~25 | 0.15~0.3 | 0.2 |
| 10 | 10~25 | 0.15~0.3 | 0.3 |
| 12 | 10~25 | 0.18~0.36 | 0.3 |
| 14 | 10~25 | 0.18~0.36 | 0.3 |
| 16 | 10~25 | 0.2~0.4 | 0.4 |
| 刃径DC(mm) | 切削速度Vc(m/min) | 送り量f(mm/rev) | リーマ代(φmm) |
|---|---|---|---|
| 1 | 20~35 | 0.015~0.025 | 0.1 |
| 2 | 20~35 | 0.03~0.05 | 0.1 |
| 3 | 20~35 | 0.05~0.075 | 0.1 |
| 4 | 20~35 | 0.06~0.1 | 0.1 |
| 5 | 20~35 | 0.08~0.12 | 0.1 |
| 6 | 20~35 | 0.1~0.15 | 0.2 |
| 7 | 20~35 | 0.12~0.18 | 0.2 |
| 8 | 20~35 | 0.12~0.18 | 0.2 |
| 9 | 20~35 | 0.15~0.2 | 0.2 |
| 10 | 20~35 | 0.15~0.2 | 0.3 |
| 12 | 20~35 | 0.18~0.27 | 0.3 |
| 14 | 20~35 | 0.18~0.27 | 0.3 |
| 16 | 20~35 | 0.2~0.3 | 0.4 |
| 刃径DC(mm) | 切削速度Vc(m/min) | 送り量f(mm/rev) | リーマ代(φmm) |
|---|---|---|---|
| 1 | 10~20 | 0.015~0.025 | 0.1 |
| 2 | 10~20 | 0.03~0.06 | 0.1 |
| 3 | 10~20 | 0.05~0.1 | 0.1 |
| 4 | 10~20 | 0.06~0.12 | 0.1 |
| 5 | 10~20 | 0.08~0.16 | 0.1 |
| 6 | 10~20 | 0.1~0.2 | 0.2 |
| 7 | 10~20 | 0.12~0.24 | 0.2 |
| 8 | 10~20 | 0.12~0.26 | 0.2 |
| 9 | 10~20 | 0.15~0.3 | 0.2 |
| 10 | 10~20 | 0.15~0.3 | 0.3 |
| 12 | 10~20 | 0.18~0.36 | 0.3 |
| 14 | 10~20 | 0.18~0.36 | 0.3 |
| 16 | 10~20 | 0.2~0.4 | 0.4 |
