


ハイスリーマ
ハンドリーマ スパイラル刃(型式:HR-S)
HR○.○○○S(スパイラル刃)
寸法表
| 型式・刃径DC | 食付き長PL | 刃長LC | 全長OAL | シャンク長LS | シャンク径DCON | 刃数ZEFP |
|---|---|---|---|---|---|---|
| HR 0.300~0.395 S | 1.5 | 7 | 30 | - | 1.5 | 4 |
| HR 0.400~0.495 S | 2.0 | 7 | 30 | - | 1.5 | 4 |
| HR 0.500~0.795 S | 2.5 | 12 | 30 | - | 2.0 | 4 |
| HR 0.800~0.895 S | 3.0 | 15 | 35 | - | 2.0 | 4 |
| HR 0.900~1.495 S | 4.0 | 20 | 40 | - | 2.0 | 4 |
| HR 1.500~1.695 S | 5.0 | 22 | 45 | - | 3.0 | 4 |
| HR 1.700~1.895 S | 5.0 | 25 | 50 | - | 3.0 | 4 |
| HR 1.900~2.395 S | 6.0 | 30 | 60 | - | 3.0 | 4 |
| HR 2.400~2.895 S ↑凸センタ |
7.0 | 35 | 65 | - | 3.0 | 4 |
| HR 2.900~3.105 S ↓穴センタ |
8.0 | 40 | 72 | 23 | 刃径DCの小数点第2位以下切り捨て | 6 |
| HR 3.110~3.605 S | 8.0 | 40 | 75 | 26 | 刃径DCの小数点第2位以下切り捨て | 6 |
| HR 3.610~4.005 S | 8.0 | 40 | 80 | 30 | 刃径DCの小数点第2位以下切り捨て | 6 |
| HR 4.010~4.105 S | 9.0 | 40 | 80 | 30 | 刃径DCの小数点第2位以下切り捨て | 6 |
| HR 4.110~4.605 S | 9.0 | 45 | 85 | 30 | 刃径DCの小数点第2位以下切り捨て | 6 |
| HR 4.610~5.005 S | 9.0 | 45 | 90 | 35 | 刃径DCの小数点第2位以下切り捨て | 6 |
| HR 5.010~5.105 S | 10.0 | 45 | 90 | 35 | 刃径DCの小数点第2位以下切り捨て | 6 |
| HR 5.110~5.605 S | 10.0 | 45 | 95 | 38 | 刃径DCの小数点第2位以下切り捨て | 6 |
| HR 5.610~6.605 S | 10.0 | 50 | 100 | 38 | 刃径DCの小数点第2位以下切り捨て | 6 |
| HR 6.610~7.105 S | 11.0 | 55 | 105 | 38 | 刃径DCの小数点第2位以下切り捨て | 6 |
| HR 7.110~7.605 S | 11.0 | 55 | 110 | 42 | 刃径DCの小数点第2位以下切り捨て | 6 |
| HR 7.610~7.905 S | 11.0 | 60 | 115 | 42 | 刃径DCの小数点第2位以下切り捨て | 6 |
| HR 7.910~8.105 S | 12.0 | 60 | 115 | 42 | 刃径DCの小数点第2位以下切り捨て | 6 |
| HR 8.110~8.605 S | 12.0 | 60 | 120 | 45 | 刃径DCの小数点第2位以下切り捨て | 6 |
| HR 8.610~8.905 S | 12.0 | 65 | 125 | 45 | 刃径DCの小数点第2位以下切り捨て | 6 |
| HR 8.910~9.605 S | 13.0 | 65 | 125 | 45 | 刃径DCの小数点第2位以下切り捨て | 6 |
| HR 9.610~9.905 S | 13.0 | 70 | 130 | 45 | 刃径DCの小数点第2位以下切り捨て | 6 |
| HR 9.910~10.105 S | 14.0 | 70 | 130 | 45 | 刃径DCの小数点第2位以下切り捨て | 6 |
| HR 10.110~10.605 S | 14.0 | 70 | 135 | 50 | 刃径DCの小数点第2位以下切り捨て | 6 |
| HR 10.610~10.905 S | 14.0 | 75 | 140 | 50 | 刃径DCの小数点第2位以下切り捨て | 6 |
| HR 10.910~11.105 S | 15.0 | 75 | 140 | 50 | 刃径DCの小数点第2位以下切り捨て | 6 |
| HR 11.110~11.605 S | 15.0 | 75 | 145 | 54 | 刃径DCの小数点第2位以下切り捨て | 6 |
| HR 11.610~12.105 S | 15.0 | 75 | 150 | 58 | 刃径DCの小数点第2位以下切り捨て | 6 |
| HR 12.110~12.605 S | 16.0 | 80 | 155 | 58 | 刃径DCの小数点第2位以下切り捨て | 6 |
| HR 12.610~13.105 S | 16.0 | 80 | 160 | 62 | 刃径DCの小数点第2位以下切り捨て | 8 |
| HR 13.110~14.005 S | 17.0 | 85 | 165 | 62 | 刃径DCの小数点第2位以下切り捨て | 8 |
| HR 14.010~14.105 S | 18.0 | 85 | 165 | 62 | 刃径DCの小数点第2位以下切り捨て | 8 |
| HR 14.110~14.605 S | 18.0 | 90 | 170 | 62 | 刃径DCの小数点第2位以下切り捨て | 8 |
| HR 14.610~15.005 S | 18.0 | 90 | 175 | 66 | 刃径DCの小数点第2位以下切り捨て | 8 |
| HR 15.010~15.105 S | 19.0 | 90 | 175 | 66 | 刃径DCの小数点第2位以下切り捨て | 8 |
| HR 15.110~16.100 S | 19.0 | 95 | 185 | 70 | 刃径DCの小数点第2位以下切り捨て | 8 |
参考切削条件
| 刃径DC(mm) | 切削速度Vc(m/min) | 送り量f(mm/rev) | リーマ代(φmm) |
|---|---|---|---|
| 0.5 | 3~10 | 0.008~0.012 | 0.05 |
| 1 | 3~10 | 0.015~0.025 | 0.1 |
| 2 | 3~10 | 0.03~0.06 | 0.1 |
| 3 | 3~10 | 0.05~0.1 | 0.1 |
| 4 | 3~10 | 0.06~0.12 | 0.1 |
| 5 | 3~10 | 0.08~0.16 | 0.1 |
| 6 | 3~10 | 0.1~0.2 | 0.2 |
| 7 | 3~10 | 0.12~0.24 | 0.2 |
| 8 | 3~10 | 0.12~0.26 | 0.2 |
| 9 | 3~10 | 0.15~0.3 | 0.2 |
| 10 | 3~10 | 0.15~0.3 | 0.3 |
| 12 | 3~10 | 0.18~0.36 | 0.3 |
| 14 | 3~10 | 0.18~0.36 | 0.3 |
| 16 | 3~10 | 0.2~0.4 | 0.4 |
| 刃径DC(mm) | 切削速度Vc(m/min) | 送り量f(mm/rev) | リーマ代(φmm) |
|---|---|---|---|
| 0.5 | 3~6 | ~0.005 | 0.05 |
| 1 | 3~6 | ~0.01 | 0.05 |
| 2 | 3~6 | ~0.017 | 0.08 |
| 3 | 3~6 | ~0.025 | 0.1 |
| 4 | 3~6 | ~0.03 | 0.1 |
| 5 | 3~6 | ~0.04 | 0.1 |
| 6 | 3~6 | ~0.05 | 0.1 |
| 7 | 3~6 | ~0.06 | 0.1 |
| 8 | 3~6 | ~0.06 | 0.1 |
| 9 | 3~6 | ~0.07 | 0.1 |
| 10 | 3~6 | ~0.07 | 0.2 |
| 12 | 3~6 | ~0.09 | 0.2 |
| 14 | 3~6 | ~0.09 | 0.2 |
| 16 | 3~6 | ~0.1 | 0.3 |
| 刃径DC(mm) | 切削速度Vc(m/min) | 送り量f(mm/rev) | リーマ代(φmm) |
|---|---|---|---|
| 0.5 | 3~4 | 0.008~0.012 | 0.05 |
| 1 | 3~4 | 0.015~0.025 | 0.1 |
| 2 | 3~4 | 0.03~0.06 | 0.1 |
| 3 | 3~4 | 0.05~0.1 | 0.1 |
| 4 | 3~4 | 0.06~0.12 | 0.1 |
| 5 | 3~4 | 0.08~0.16 | 0.1 |
| 6 | 3~4 | 0.1~0.2 | 0.2 |
| 7 | 3~4 | 0.12~0.24 | 0.2 |
| 8 | 3~4 | 0.12~0.26 | 0.2 |
| 9 | 3~4 | 0.15~0.3 | 0.2 |
| 10 | 3~4 | 0.15~0.3 | 0.3 |
| 12 | 3~4 | 0.18~0.36 | 0.3 |
| 14 | 3~4 | 0.18~0.36 | 0.3 |
| 16 | 3~4 | 0.2~0.4 | 0.4 |
| 刃径DC(mm) | 切削速度Vc(m/min) | 送り量f(mm/rev) | リーマ代(φmm) |
|---|---|---|---|
| 0.5 | 10~20 | 0.012~0.025 | 0.05 |
| 1 | 10~20 | 0.025~0.05 | 0.1 |
| 2 | 10~20 | 0.05~0.08 | 0.1 |
| 3 | 10~20 | 0.075~0.12 | 0.1 |
| 4 | 10~20 | 0.1~0.15 | 0.1 |
| 5 | 10~20 | 0.12~0.17 | 0.1 |
| 6 | 10~20 | 0.15~0.2 | 0.2 |
| 7 | 10~20 | 0.18~0.24 | 0.2 |
| 8 | 10~20 | 0.18~0.26 | 0.2 |
| 9 | 10~20 | 0.2~0.3 | 0.2 |
| 10 | 10~20 | 0.2~0.3 | 0.3 |
| 12 | 10~20 | 0.27~0.36 | 0.3 |
| 14 | 10~20 | 0.27~0.36 | 0.3 |
| 16 | 10~20 | 0.3~0.4 | 0.4 |
| 刃径DC(mm) | 切削速度Vc(m/min) | 送り量f(mm/rev) | リーマ代(φmm) |
|---|---|---|---|
| 0.5 | 8~15 | 0.012~0.025 | 0.05 |
| 1 | 8~15 | 0.025~0.05 | 0.1 |
| 2 | 8~15 | 0.05~0.08 | 0.1 |
| 3 | 8~15 | 0.075~0.12 | 0.1 |
| 4 | 8~15 | 0.1~0.15 | 0.1 |
| 5 | 8~15 | 0.12~0.17 | 0.1 |
| 6 | 8~15 | 0.15~0.2 | 0.2 |
| 7 | 8~15 | 0.18~0.24 | 0.2 |
| 8 | 8~15 | 0.18~0.26 | 0.2 |
| 9 | 8~15 | 0.2~0.3 | 0.2 |
| 10 | 8~15 | 0.2~0.3 | 0.3 |
| 12 | 8~15 | 0.27~0.36 | 0.3 |
| 14 | 8~15 | 0.27~0.36 | 0.3 |
| 16 | 8~15 | 0.3~0.4 | 0.4 |
| 刃径DC(mm) | 切削速度Vc(m/min) | 送り量f(mm/rev) | リーマ代(φmm) |
|---|---|---|---|
| 0.5 | 3~4 | 0.008~0.012 | 0.05 |
| 1 | 3~4 | 0.015~0.025 | 0.1 |
| 2 | 3~4 | 0.03~0.06 | 0.1 |
| 3 | 3~4 | 0.05~0.1 | 0.1 |
| 4 | 3~4 | 0.06~0.12 | 0.1 |
| 5 | 3~4 | 0.08~0.16 | 0.1 |
| 6 | 3~4 | 0.1~0.2 | 0.2 |
| 7 | 3~4 | 0.12~0.24 | 0.2 |
| 8 | 3~4 | 0.12~0.26 | 0.2 |
| 9 | 3~4 | 0.15~0.3 | 0.2 |
| 10 | 3~4 | 0.15~0.3 | 0.3 |
| 12 | 3~4 | 0.18~0.36 | 0.3 |
| 14 | 3~4 | 0.18~0.36 | 0.3 |
| 16 | 3~4 | 0.2~0.4 | 0.4 |
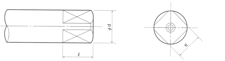
シャンク四角部寸法表
| シャンク径DCON | 四角部幅WSC 寸法 | 四角部幅WSC 公差 | 四角部長さLSS |
|---|---|---|---|
| 2.9~3.3 | 2.5 | 0/-0.1 | 5 |
| 3.4~3.7 | 2.8 | 0/-0.1 | 5 |
| 3.8~3.9 (~刃径3.975) |
3.2 | 0/-0.1 | 5 |
| 3.9~4.1 (刃径3.980~) |
3.2 | 0/-0.1 | 6 |
| 4.2~4.6 | 3.5 | 0/-0.1 | 6 |
| 4.7~5.6 | 4.0 | 0/-0.1 | 7 |
| 5.7~6.1 | 4.5 | 0/-0.1 | 7 |
| 6.2~6.6 | 5.0 | 0/-0.1 | 8 |
| 6.7~7.1 | 5.5 | 0/-0.1 | 8 |
| 7.2~8.1 | 6.0 | 0/-0.1 | 9 |
| 8.2~8.6 | 6.5 | 0/-0.1 | 9 |
| 8.7~9.6 | 7.0 | 0/-0.1 | 10 |
| 9.7~10.6 | 8.0 | 0/-0.1 | 11 |
| 10.7~12.1 | 9.0 | 0/-0.1 | 12 |
| 12.2~13.6 | 10.0 | 0/-0.1 | 13 |
| 13.7~14.6 | 11.0 | 0/-0.15 | 14 |
| 14.7~16.1 | 12.0 | 0/-0.15 | 15 |